专注磁粉离合器制动器生产厂家
收放卷张力纠偏控制系统整套提供商

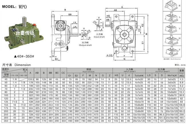
WP系列蜗轮蜗杆减速机优点:
1、WP系列蜗轮蜗杆减速机箱体结构为整体,外形美观大方、刚性好。
2、箱体型式有基本型(箱体为带有底脚板的立式或卧式两种结构)和万能型(箱体为长方体,多面设有固定螺孔,不带底脚板或另装底脚板等多种结构型式)
3、输入轴联接方式有基本型(单输入轴及双输入轴)、带电机法兰两种。
4、输出轴结构有基本型(单输出轴、双输出轴)和中空输出轴两种。
5、输出、输入轴位置方向有输入轴在下及在上;输出轴向上及向下;输入轴向上及向下。
6、可用2台或3台减速机组成多级减速机,以获得极大的传动比。 安装型式和输出方式:底座式,法兰式和扭力 臂式安装,实心轴和空心轴输出及蜗杆直接 输出。
注意事项:
1、蜗轮轴绝对不能作输入轴使用。
2、配套电机(即功率)不能超过标牌规定的数值。
3、如用户要改变入轴方向,可拆卸下轴二端盖,取出蜗杆轴,调节180。装入即可。按装时不可硬敲,可慢慢传动二轴,使之啮合。
WP系列蜗轮蜗杆减速机:主要适用于塑料、冶金、饮料、矿山、起重运输、化工建筑等各种机械设备的减速传动。几乎在各式机械的传动系统中都可以见到它的踪迹,从交通工具的船舶、汽车、机车,建筑用的重型机具,机械工业所用的加工机具及自动化生产设备,到日常生活中常见的家电,钟表等等.其应用从大动力的传输工作,到小负荷,精确的角度传输都可以见到蜗轮蜗杆减速机的应用,且在工业应用上,蜗轮蜗杆减速机具有减速及增加转矩功能。因此广泛应用在速度与扭矩的转换设备。